Holzbautendokumentation - Holzbauten Detail
Brücke in Eugendorf

Brücke in Eugendorf

Im Zuge des Baus der Golfanlage Eugendorf wurde vorgesehen, den Schamingbach mittels zweier Brückenobjekte zu queren. Geplant war der Neubau einer Balkenbrücke, um die Spielbahnen 13 und 14 zu erreichen, sowie einer Bogenbrücke im Bereich der Spielbahnen 2 und 9. Letztere stellt aufgrund ihrer Spannweite trotz kleiner Querschnitte und die schubfeste Verbindung mit dem Überbau im Bereich der Auflager und des Mittelstoßes ein interessantes Objekt dar. Die Bogenbrücke über den Schamingbach zeichnet sich durch einfache Lösungsansätze hinsichtlich der Wahl der verwendeten Verbindungen aus und fügt sich durch ihre filigrane Bauweise elegant in ihre Umgebung. Brückenklasse: Fußgänger-Radwegbrücke Klasse I Gesamtkosten: ca. € 102. 000

Eugendorf, Golfplatz

Salzburg

1998

Kategorie
Bauwerke
Fahrrad-/Fußgängerbrücke

Firmen/Bauherr
Bauherr
Open Golf Errichtungs- und Betriebsgesellschaft mbH

5400

Hallein

Schlossallee 50a

+43 624576681

+43 6245766819


Planer
Assko Plan Consult GmbH

5020

Salzburg

Fürbergstraße 27/1

asskoplan@nextra.at

+43 662642864

+43 66264286485


Ausführende Holzbaufirma
WIEHAG GmbH

4950

Altheim

Linzer Straße 24

Österreich

Braunau am Inn


Statiker
Assko Plan Consult GmbH

5020

Salzburg

Fürbergstraße 27/1

asskoplan@nextra.at

+43 662642864

+43 66264286485

Technische Beschreibung
Dimensionen
271,0 m2


Bausystem
Dreifeldträger

Konstruktionselemente
Primärkonstruktion
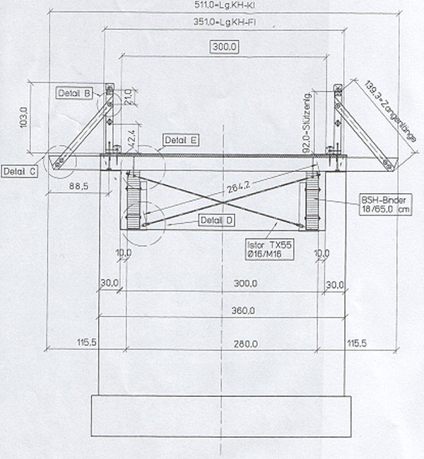
Dreifeldträger - Primäres Tragsystem: Gerade Obergurt mit gebogenem Untergurt schubfest verleimt, Ausfachung im Bereich der Stüt

Bogenbrücke - Mittelfeld: Zweigelenkbogen mit biegesteifem Stoß, Randfelder: Halbbogen, Spannweite: 53,0 m


Sonstiges

Geländer: Geländersteher 14 × 12 cm, deren Anschluss über horizontal verlaufende Radabweiser sowie Vollholzzangen erfolgte; Handlauf 16 × 14 cm
Fahrbahn: Furnierschichtholzplatten 4,0 cm auf Querträgern, darauf Fichtenbretter 2,0 cm als Verschleißschicht



Holzschutz
natürlich dauerhafte Holzarten: Lärche für Schichtholzbinder

Oberflächenbehandlung der Fassade

öliges Holzschutzmittel

Materialauszug
Material Anteil am Bauvolumen in %
Brettschichtholz - 42 -

Bilder