Projekte Detail
Brücke in Eugendorf

Brücke in Eugendorf

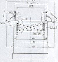
Im Zuge des Baus der Golfanlage Eugendorf wurde vorgesehen, den Schamingbach mittels zweier Brückenobjekte zu queren. Geplant war der Neubau einer Balkenbrücke, um die Spielbahnen 13 und 14 zu erreichen, sowie einer Bogenbrücke im Bereich der Spielbahnen 2 und 9. Letztere stellt aufgrund ihrer Spannweite trotz kleiner Querschnitte und die schubfeste Verbindung mit dem Überbau im Bereich der Auflager und des Mittelstoßes ein interessantes Objekt dar. Die Bogenbrücke über den Schamingbach zeichnet sich durch einfache Lösungsansätze hinsichtlich der Wahl der verwendeten Verbindungen aus und fügt sich durch ihre filigrane Bauweise elegant in ihre Umgebung. Brückenklasse: Fußgänger-Radwegbrücke Klasse I Gesamtkosten: € 101. 742

Bilder